Количката ви в момента е празна!
Продуктови характеристики
Мощност нагревател (опция): 1.5 kW
Управление: механично
Диаметър: 520mm
Височина: 520mm
Монтаж: стенен - хоризонтален
Тип нагревател: потопяем
Обем: 80л
Гаранция: 5 години
Водосъдържател: емайлиран
Широчина: 640mm
Производител: Sunsystem
Бойлер Sunsystem 80л., 1.5kW, хоризонтален, емайлиран, голям диаметър
278,00 лв. (с ДДС)
Този продукт може да бъде закупен на кредит с Ти Би Ай Банк
1 налични
Описание
Бойлер Sunsystem 80л., 2kW, хоризонтален, емайлиран, голям диаметър
- Бяла естетична метална обшивка
- Висококачествена топлоизолация – 32 mm
- Титаниев емайл
- Неръждаема тръба за топлата вода
- Анодна защита на водосъдържателя от корозия
- Електрически нагревател
- Сертификатор за студената вода
- On / off бутон
- Двойна термична защита
- Температурен датчик
- Предпазен клапан – 8 bar
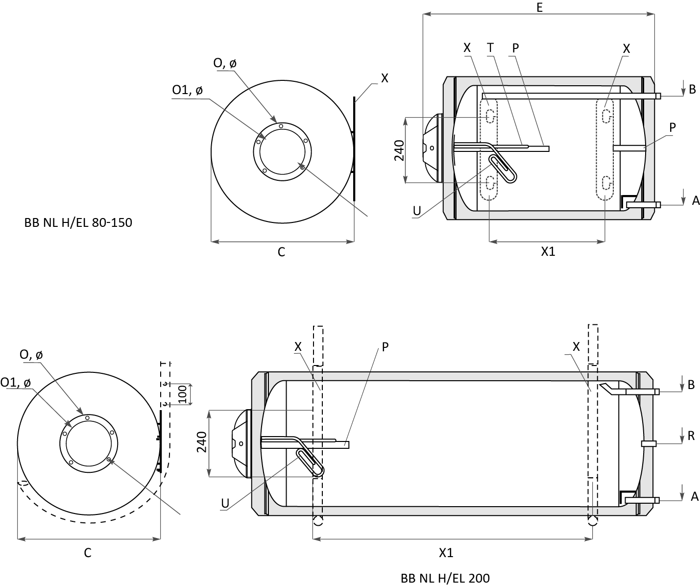
| МОДЕЛ | BB 80 H EL | BB 100 H EL | BB 120 H EL | BB 150 H EL | BB 200 H EL | |
|---|---|---|---|---|---|---|
| Вместимост | l | 80 | 100 | 120 | 150 | 200 |
| Височина (Дължина) / Дълбочина | mm | 700 / 540 (700) |
830 / 540 (830) |
960 / 540 (960) |
1100 / 540 (1100) |
1370 / 540 (1370) |
| Диаметър D | mm | ø 520 | ø 520 | ø 520 | ø 520 | ø 520 |
| Раб.налягане / макс. температура | bar/°C | 8/95 | 8/95 | 8/95 | 8/95 | 8/95 |
| Налягане на изпитване на бойлера | bar | 13 | 13 | 13 | 13 | 13 |
| Температурен индикатор | ||||||
| Аноден протектор | ||||||
| Мощност ел. нагревател | kW | 1.5 | 1.5 | 1.5 | 1.5 | 1.5 |
| Вход студена вода | G | R½“ (65) | R½“ (65) | R½“ (65) | R½“ (65) | R¾” 150 (65) |
| Рециркулация | C | – | – | – | – | R¾” 833 (260) |
| Изход гореща вода | E | R½“ (455) | R½“ (455) | R½“ (455) | R½“ (455) | R¾” 1155 (455) |
| Размер H (L) | mm | 640 (640) | 770 (770) | 900 (900) | 1040 (1040) | 1310 (1310) |
| Размер F | mm | 60 | 60 | 60 | 60 | 60 |
| Размер W | mm | 120 | 120 | 120 | 120 | – |
| Размер X | mm | -230 | -360 | -490 | -630 | -900 |
| Размер P | mm | 230 | 230 | 255 | 270 | – |
| Размер Z | mm | 240 (240) | 240 (240) | 240 (240) | 240 (240) | 240 (240) |
| Тегло Емайл/CrNi | kg | 55/41 | 61/- | 70/52 | 80/60 | 84/- |
Допълнителна информация
| Тегло | 55,000 кг |
|---|---|
| Мощност нагревател (опция) | 1.5 kW |
| Управление | механично |
| Диаметър | 520mm |
| Височина | 520mm |
| Монтаж | стенен – хоризонтален |
| Тип нагревател | потопяем |
| Обем | 80л |
| Гаранция | 5 години |
| Водосъдържател | емайлиран |
| Широчина | 640mm |
| Производител | Sunsystem |
Как се осъществява Доставката?
Поръчаните от Вас продукти ще бъдат доставени в най-кратки срокове. Стандартната доставка е в рамките на 2 работни дни. Работим със куриерски фирми Спиди и Еконт. Цената на доставката се формира в зависимост от теглото на продукта и времето за доставяне, изчислява се автоматично след избора за плащане на продуктите от кошницата и избора на куриер. При забавяне на доставката ще бъдете уведомени.
Има възможност да направите онлайн поръчка и да вземете поръчаният продукт от офис на фирма Амиго.
Може ли да се осъществи доставка извън България?
Възможна е доставката на продукти извън България

